Document Page: First | Prev | Next | All | OCR | This Release | Search

File: 123096_sep96_decls19_0003.gif
Page: 0003
Total Pages: 12


Document Page: First | Prev | Next | All | OCR | This Release | Search


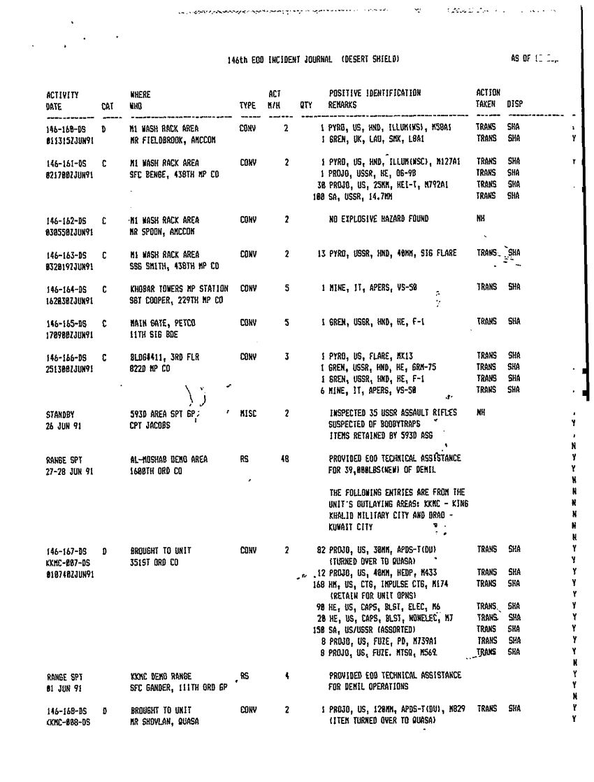
Document 12 f:/Week-46/BX005555/512TH EODCT SUBORD UNIT JOURNALS EOD INCIDENTS/eod activity and status report ods 1 30 jun 91:121796111633105
Control Fields 17
File Room = sep96_declassified
File Cabinet = Week-46
Box ID = BX005555
Unit = 22D SUPCOM
Parent Organization = ARCENT
Folder Title = 512TH EODCT SUBORD UNIT JOURNALS EOD INCIDENTS
Folder Seq # = 6
Subject = EOD ACTIVITY AND STATUS REPORT ODS 1 30 JUN 91
Document Seq # = 7
Document Date =
Scan Date =
Queued for Declassification = 01-JAN-1980
Short Term Referral = 01-JAN-1980
Long Term Referral = 01-JAN-1980
Permanent Referral = 01-JAN-1980
Non-Health Related Document = 01-JAN-1980
Declassified = 17-DEC-1996